海湾DH-GST-N2100系列剩余式电流互感器

一、海湾DH-GST-N2100系列剩余式电流互感器概述
DH-GST-N2100系列剩余电流互感器可以与DH-GST-N3101-8组合式电气火灾监控探测器搭配使用,构成电气火灾监控系统,能实时监测被监测回路的剩余电流值,
可以有效地保障安全用电和防止电气火灾的发生。
二、DH-GST-N2100系列剩余式电流互感器特点
外形美观,内窗大,外形小,方便使用
母排互感器内径使用跑道形,平衡性更好
10种闭口规格,3种开口规格,选择多样
内置限压和二次开路保护电路,防护性能更佳
使用螺钉安装,施工方便,牢固可靠
三、海湾DH-GST-N2100系列剩余式电流互感器参数
| 分类 | 互感器型号 | 建议主回路额定工作电流(A) | 互感器窗口尺寸(mm) |
| 闭口式,圆孔 | DH-GST-N2100-Y-100 DH-GST-N2100-Y-250 DH-GST-N2100-Y-400 DH-GST-N2100-Y-630 | 100A 250A 400A 630A | Φ45 Φ65 Φ80 Φ105 |
| 闭口式,方孔 | DH-GST-N2100-F-100 DH-GST-N2100-F-250 DH-GST-N2100-F-400 DH-GST-N2100-F-630 DH-GST-N2100-F-1000 DH-GST-N2100-F-2000 | 100A 250A 400A 630A 1000A 2000A | 130*35 150*40 210*45 250*50 330*60 450*80 |
| 开口式,圆孔 | DH-GST-N2100-Y-100K DH-GST-N2100-Y-250K DH-GST-N2100-Y-400K | 100A 250A 400A | Φ50 Φ70 Φ90 |
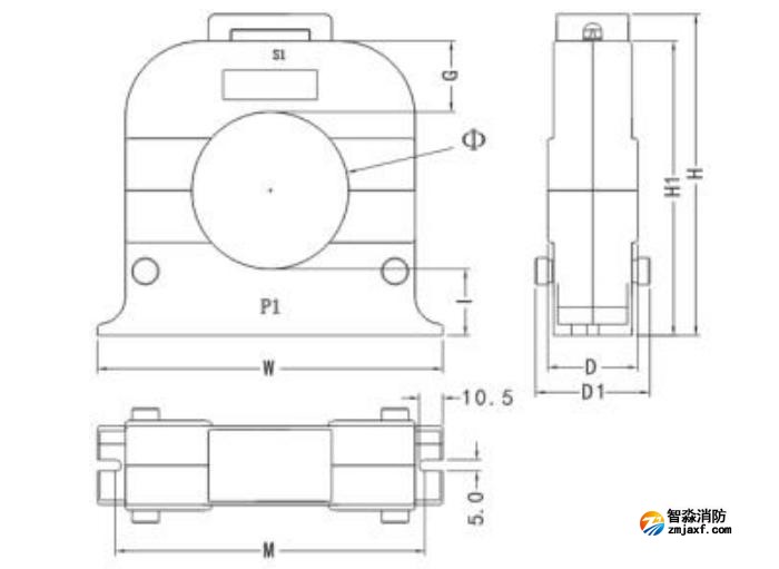
四、海湾DH-GST-N2100系列剩余式电流互感器外形尺寸图
闭口式,圆孔100A-630A外形尺寸图:


闭口式,方孔100A-630A外形尺寸图:


开口式,圆孔100A-400A外形尺寸图:


海湾消防公司主营:海湾消防报警系统销售,消防设备安装,海湾气体灭火、海湾电气火灾、消防水喷淋系统施工安装,售后维修,海湾消防网站:http://www.gstxf.com/;海湾消防服务热线:4006-598-119

苏公网安备32058102002147号